【Product introduction】
Appearance of adapter must be smooth and clean. It has no oil, burrs, scars and crack;
The color of adapter must be bright in good consistency;
All parts of adapter can assembly well without difficulty, it should be easy and
comfortable to plug in and pull out connector from adapters, the clip should be
powerful.
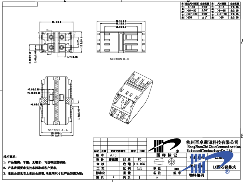
Modes:SM ;
sleeve in high precision;
all material meets RoHS
low insertion loss
good repeatability
good interchangeability
Easy installation
good temperature stability
l Optical fiber communication system
cable television network
LAN,WAN
Optical fiber access network
video transmission
test equipment
Project |
Values |
||
Reference standard |
YD/T 1272.1-2003 |
||
Insertion loss |
≤0.2dB |
||
IL change absolute value |
low temperature |
Temperature: -40℃ Duration: 168 h |
≤0.2dB |
high temperature |
Temperature: 85℃ Duration: 168 h Temperature change rate: 1℃/min |
≤0.2dB |
|
Hot and humid |
Temperature: 40℃ Humidity: 90%~95% Duration: 168h Temperature change rate: 1℃/min |
≤0.2dB |
|
Temperature cycle
|
Temperature: -40℃ to + 85℃ Duration: 168h Cycle times:21 Temperature change rate: 1℃/min |
≤0.2dB |
|
repeatability |
Insertion pull times:10 |
≤0.2dB |
|
Mechanism durability |
Insertion times: 500 cycles |
≤0.2dB |
|
Tensile strength Of coupling mechanism |
68.6N/10 Minute |
≤0.2dB |
pull-out force |
≤19.6.N |
Flame resistance |
UL94-V0 |
work temperature |
-25℃~+75℃ |
storage temperature |
-40℃~+85℃ |
parts Name |
Qty |
Requirement |
Body(housing) |
1 |
PC |
Lining |
4 |
PES |
防塵帽 Dust cap |
4 |
TPV |
Sleeve |
4 |
Zirconia Ceramic |
